南京奔亚科技有限公司欢迎您!专业从事设计、生产、销售各种传感器、变送器.
传感器、变送器
专业研发、设计、制造厂家
服务热线
025-84443072
网站首页
关于我们
产品中心
密度 质量流量计
压力传感器
压力变送器
压力传感器
扭矩传感器
称重传感器
液位变送器
厂容厂貌
办公环境
厂区环境
客户案例
新闻资讯
公司新闻
行业动态
常见问答
荣誉资质
联系我们
南京奔亚科技有限公司
网站首页
关于我们
产品中心
密度 质量流量计
压力传感器
压力变送器
压力传感器
扭矩传感器
称重传感器
液位变送器
厂容厂貌
办公环境
厂区环境
客户案例
新闻资讯
公司新闻
行业动态
常见问答
荣誉资质
联系我们
热搜关键词:
压力变送器
扭矩传感器
密度计传感器
称重传感器
液位传感器
温度传感器
差压传感器
流量传感器
当前位置:
主页
产品中心
扭矩传感器
产品中心
>
密度 质量流量计
压力传感器
压力变送器
压力传感器
扭矩传感器
称重传感器
液位变送器
列表展示
服务热线
18951803006
025-84443072
13683811123
18600359802
15807997986
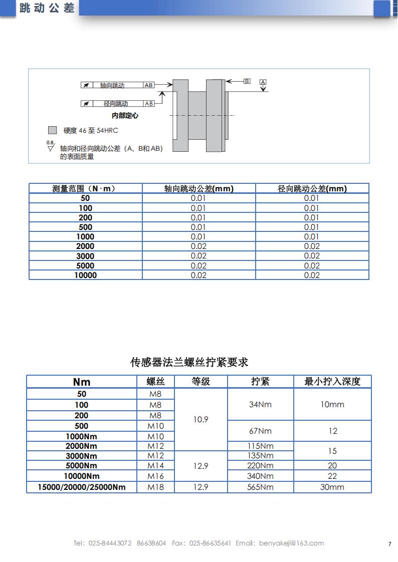
扭矩传感器
兼容吉孚动力法兰扭矩传感器
产品介绍
查看详情 +
上一篇
BYN640B-H法兰扭矩扭矩传感器
查看详情 +
下一篇
BYN641拧紧系列
热门产品
BYL330A轮辐式称重传感器
BYL600型拉压力传感器
质量流量计
BYN064B-H
音叉密度计
BYN640M
返回首页
返回上一页
服务热线
025-84443072
关注微信
返回顶部